

一、環境監測傳感器產品簡介
WX-B6B環境監測傳感器又稱智慧路燈監測傳感器,環境監測傳感器是一款專用于氣象環境監測的儀器,可用于監測大氣環境中的空氣溫度,濕度,光照,PM2.5,PM10,噪聲等氣象要素,可用于智慧農業、氣象監測、城市環境監測等領域。
山東萬象環境科技有限公司作為專業研發生產氣象傳感器的企業,一直致力于氣象傳感器和氣象環境解決方案推廣應用。具有完整的生產鏈、實力雄厚的技術團隊和全面的營銷團隊,我們研發生產的傳感器已廣泛應用到智慧農業、氣象監測、城市環境監測、風力發電、航海船舶、航空機場、橋梁隧道等領域,客戶遍布全國各地,并取得了良好的社會效益和經濟效益。
二、環境監測傳感器產品特點
1、抗干擾能力強,具有看門狗電路,自動復位功能,保證系統穩定運行
2、高集成度,無移動部件,零磨損
3、免維護,無需現場校準
4、采用ASA工程塑料室外應用常年不變色
5、產品設計輸出信號標配為RS485通訊接口(MODBUS協議);可選配232、USB、以太網接口,支持數據實時讀取☆
6、可選配無線傳輸模塊,最小傳輸間隔1分鐘
三、環境監測傳感器技術參數
1、空氣溫度:-40-60℃(±0.3℃);(北京市氣象局校準證書)
2、空氣濕度:0-100%RH(±3%RH);(北京市氣象局校準證書)
3、光照:0-20W LUX(5%)
4、PM2.5:0-1000ug/m3(±10%)
5、PM10:0-1000ug/m3(±10%)
6、噪聲:30-120dB(±1.5dB)
7、功率:0.96W
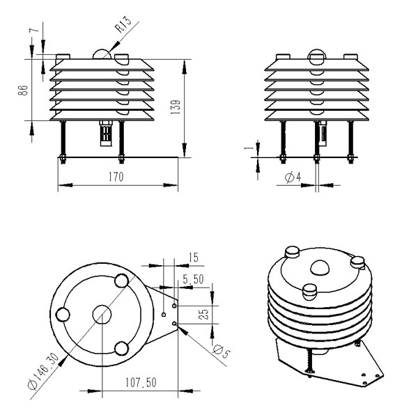
四、環境監測傳感器產品尺寸圖

五、環境監測傳感器產品結構圖

?WX-SW3水文流量站通過現代傳感技術感知水流的每一次脈動,成為守護高原江河安全的重要基礎設施,它采用多參···
?隨著夏季腳步的臨近,雨水增多,汛期也要隨之到來,這對于水利工程、灌溉工程等都是一個極大的考驗,需要提···
?WX-SW2水文監測系統是可以實時監測渠道內水位、降雨量的監測設備,在之前的監測方法中面對突如其來的洪水、···
?WX-Q3農業四情監測系統是一款針對農田中“土壤、蟲情、氣象、苗情、孢子”這幾大關鍵要素進行實時監測與預警···
?WX-EL3el相機檢測儀的神奇之處在于它能發現肉眼無法察覺的電池板內部問題。當電流通過光伏組件時,EL相機會···
?WX-LSZ03立桿式水質在線監測站,正是為了滿足這一迫切需求而誕生的。它以其獨特的設計理念和先進的技術手段···
?WX-NQ14農田氣象工作站是一種集氣象監測、數據采集、分析預警于一體的智能化系統。它通過布設在農田中的各類···
?傳統PCR技術雖強,但面對大規模篩查時顯得力不從心。而這款WX-CW32H 4通道32孔熒光定量PCR儀,通過其獨特的···
?光電總輻射傳感器是一款應用到光伏電站領域,監測太陽總輻射的傳感器,包括太能總輻射,大氣間接輻射,可見···
?這款WX-LDTC1漏電探測儀的設計充分考慮了實際救援場景的需求。它采用先進的傳感器技術和信號處理算法,能夠···
魯公網安備37079402370807 備案號:魯ICP備2022000322號-4 百度地圖txt地圖