

一、金屬款壓電雨量傳感器產品概述
金屬款壓電雨量傳感器又稱不銹鋼壓電雨量傳感器,壓電雨量計,金屬款壓電雨量傳感器采用不銹鋼材質,強度高、抗氧化、抗腐蝕,可用來遙測降水量、降水強度、降水起止時間等,廣泛應用于氣象,環保,農業,水利等諸多領域。
WX-Y1S壓電雨量傳感器采用PVDF壓電薄膜作為感雨器件,通過嵌入式AI神經網絡分辨雨滴信號,避免因砂礫、灰塵、振動等干擾帶來誤觸發。
廣泛應用于氣象環境監測、水文水利綜合監測站、交通道路監測、農林、風力發電等有關部門用來遙測降水量、降水強度、降水起止時間。用于防洪、供水調度、電站水庫水情管理為目的水文自動測報系統、自動野外測報站等。
二、金屬款壓電雨量傳感器功能特點
1.一體化設計,外觀精美
2.無機械配件,無任何外露部件,可過濾樹葉、塵土、蟲子等環境因素所引入的相似信號
3.測量精度高,量程寬,穩定性能好,低功耗,抗外界干擾能力強
4.可全天候工作,不受天氣變化的影響,精確到秒的降雨時長監測
5.免維護,雨滴接觸面為弧形設計結構,不存儲雨水
6.安裝后帶有自動水平校準功能,無需現場校準
7.體積小巧,攜帶、拆卸安裝方便
8.不銹鋼材質,強度高、抗氧化、抗腐蝕
三、金屬款壓電雨量傳感器技術參數
測量范圍 | 0-4mm/min |
測量精度 | ≤±4% |
分辨率 | 0.01mm |
采樣頻率 | <1S |
通訊接口 | RS485 |
通訊協議 | MODBUS |
電源 | DC12V |
功耗 | 0.12W |
工作溫度 | -40~85℃ |
工作濕度 | 0~100%RH |
加熱模塊(選配) | 電流:1A(DC12V) |
功耗:12-15W |
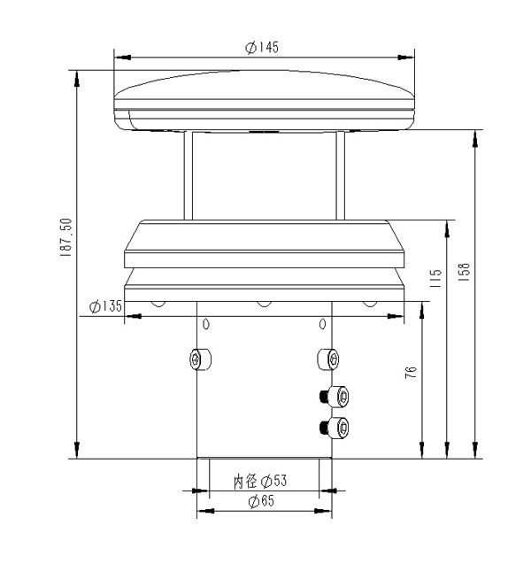
四、產品尺寸圖

五、產品結構圖

六、注意事項
1.傳感器水平周圍1米半徑無遮擋,避免水滴飛濺影響
2.傳感器安裝位置應避開強機械振動源
3.傳感器安裝上方應為開闊區域,雨滴應直接滴落至傳感器,應免二次滴落和連續水流沖擊
?WX-SW3水文流量站通過現代傳感技術感知水流的每一次脈動,成為守護高原江河安全的重要基礎設施,它采用多參···
?隨著夏季腳步的臨近,雨水增多,汛期也要隨之到來,這對于水利工程、灌溉工程等都是一個極大的考驗,需要提···
?WX-SW2水文監測系統是可以實時監測渠道內水位、降雨量的監測設備,在之前的監測方法中面對突如其來的洪水、···
?WX-Q3農業四情監測系統是一款針對農田中“土壤、蟲情、氣象、苗情、孢子”這幾大關鍵要素進行實時監測與預警···
?WX-EL3el相機檢測儀的神奇之處在于它能發現肉眼無法察覺的電池板內部問題。當電流通過光伏組件時,EL相機會···
?WX-FBQ2防爆氣象環境監測站其核心在于“防爆”。在化工、石油、煤礦等工業領域,易燃易爆氣體和粉塵的存在,···
?WX-SW3水文流量站,作為水文監測體系中的關鍵節點,承擔著對自然界中水體流速、流量、水位以及雨量等重要水···
?WX-EL1 EL檢測儀這款檢測光伏板性能質量的測試設備,是一種利用光伏板在特定電壓下產生的微弱光輻射(電致發···
?WX-Q2大田作物四情監測系統是一套集成了物聯網、大數據、云計算等先進技術的智能管理系統。它主要監測作物的···
?顧名思義,WX-GTS4無線遠程多層立體土壤墑情監測儀的最大亮點在于其“多層立體”的設計。不同于單一層次的監···
魯公網安備37079402370807 備案號:魯ICP備2022000322號-4 百度地圖txt地圖